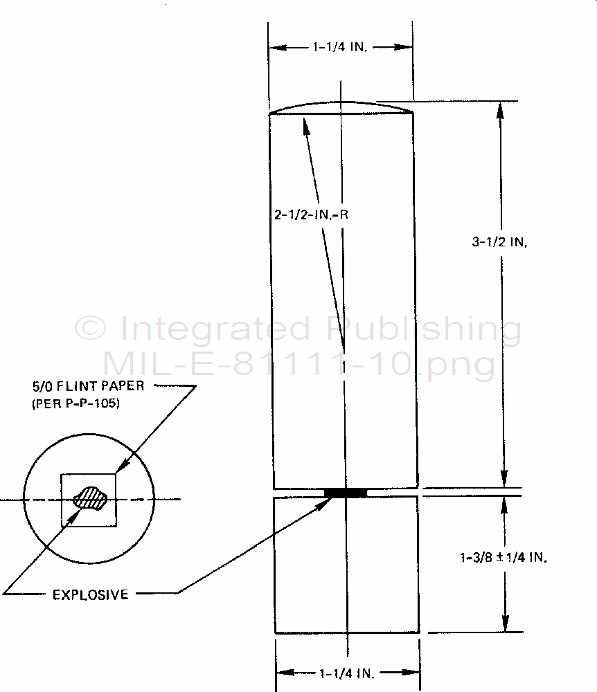
MIL-E-81111 Explosive, Plastic-Bonded Molding Powder (Pbxn-5)This specification covers a dimensionally stable, high strength, explosive composed of cyclotetramethylenetetranitramine (HMX) and a copolymer of vinylidene fluoride and hexafluoropropylene. The plastic-bonded explosive is referred to herein as "PBXN-5".